- Utemiljö & Trädgård
- Badrumsinredning
- Dörrar & portar
- Verktyg & redskap
- Fönster
- Sport & fritid
- Växthus
- Stugor & Friggebodar
- Träningsutrustning
- Hem & inredning
- Hus & bygg
- Bil & garage
- Lagerrensning
- Erbjudanden
- Nyheter
- Outlet
- Alla produkter
- Varumärken
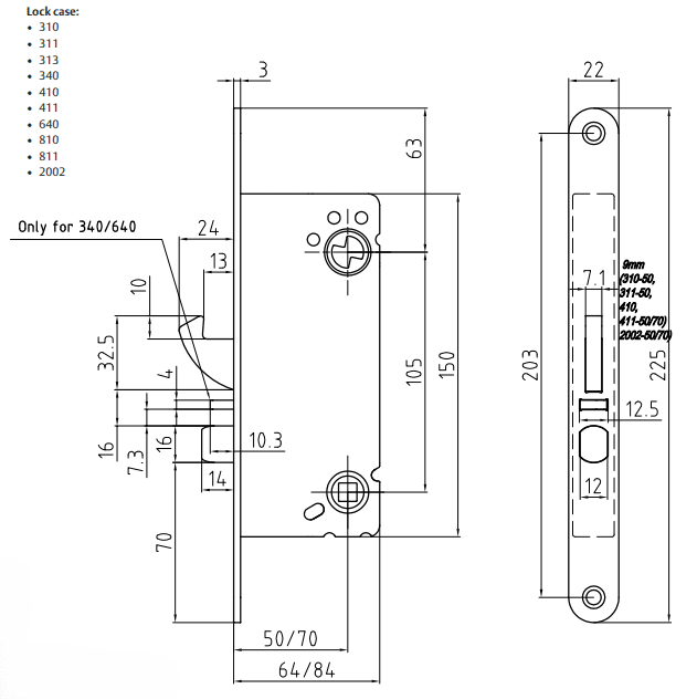
Låshus ASSA ABLOY 2002-50 - Vänster
Produktbeskrivning:
Låshus 2002 är en del av ASSA ABLOY Connect serien och är ett certifierat hakregellås med tryckesfall, särskilt designat för entrédörrar i bostäder som villor, lägenheter och servicehus. Med sin robusta konstruktion och moderna funktionalitet erbjuder Låshus 2002 optimal säkerhet och användarvänlighet för olika typer av bostadssektorer.
Låshus 2002 kan låsas och låsas upp med nyckel eller en specifik vredskylt anpassad för just detta låshus. Tryckesfallen dras in med hjälp av trycket, vilket gör det enkelt att använda.
När uppställningsknappen är nedtryckt, blockeras vredfunktionen så att låset inte kan öppnas utan nyckel, vilket skapar en extra trygghet när ingen är hemma. När låset låses upp med nyckel aktiveras vredfunktionen automatiskt, vilket bidrar till en smidig och bekväm åtkomst.
För att säkerställa att Låshus 2002 upprätthåller sin säkerhetsklass (klass 3), rekommenderas det att förse låset med dubbla runda cylindrar. Om vred monteras på insidan av dörren rekommenderas ett magnetvred för att garantera låshusets funktion och säkerhet.
Certifieringar och säkerhet:
- SS-EN 12209 & SSF 3522 klass 3: Låshus 2002 är certifierat enligt SS-EN 12209 och SSF 3522 klass 3, vilket gör det till en godkänd låsenhet av försäkringsbolag. Med en hakregel som är härdad och tvångsstyrd säkerställs en stark och hållbar förbindelse mellan dörr och karm, vilket ger extra skydd.
Egenskaper:
- Automatisk låsning: Hakregeln låser automatiskt vid en 360° nyckelvridning.
- Uppställningsknapp: Blockerar vredfunktionen i stolpen för ökad säkerhet vid frånvaro.
- Brandklassade dörrar: Låset är särskilt lämpligt för brandklassade dörrar.
- Kombinera med elslutbleck: Kan enkelt integreras med elslutbleck för ökad säkerhet och funktionalitet.
Specifikationer:
- Material: Förzinkad stål
- Dorndjup: 50 mm
- Upphängning: Vänster för vänsterhängda dörrar
- Hakregelns tjocklek: 9 mm
Mycket bra pris om du jämför med fackhandeln.
- Mycket för pengarna & stort sortiment
- Endast kvalitetsprodukter!
- Erbjuder faktura utan extra kostnad
- Snabb leverans!
- Trevlig kundtjänst!
- Vår kunniga och tillmötesgående kundservice finns här för att hjälpa dig och svara på alla frågor som rör ditt köp!
Genom att bli medlem godkänner du Hemfint.se Integritetspolicy.


